○茨城町町道等掘削復旧工事施工要綱
平成27年6月1日
要綱第39号
(趣旨)
第1条 この要綱は,道路占用許可等により地下埋設物を新設,修繕又は廃止することに伴う道路掘削工事及び路面復旧工事の施工にあたり,遵守すべき事項を定めるものとする。
(1) 道路占用許可等 道路法(昭和27年法律第180号。以下「法」という。)第22条の規定による命令,法第24条の規定による承認,法第32条の規定による許可,法第35条の規定による協議に対する回答,法第40条の規定による指示及び法第71条の規定による命令並びに法第91条第1項の許可及び同条第2項の規定により準用される許可をいう。
(2) 許可条件等 道路占用許可等の条件,指示及び命令内容をいう。
(3) 掘削工事 第1号の道路占用許可等による道路の掘削工事をいう。
(4) 路面復旧工事等 前号の掘削工事により掘削跡を復旧する工事をいう。
(5) 占用者等 道路管理者の道路占用許可を受けた者をいう。
(工事瑕疵)
第3条 占用者等は,路面復旧工事の完了の日から2年以内に占用者等の施工した工事が原因で道路に沈下,亀裂等の損傷が生じた場合は,道路管理者の指示に従い占用者等の負担において直ちに補修しなければならない。
2 占用者等は前項の規定にかかわらず,占用物件等の工事に瑕疵があり,これが原因で道路が損傷した場合は,占用物件の存続期間中道路管理者の指示に従って道路を補修する責任を負うものとする。
(第三者に与えた損害)
第4条 占用者等の工事により生じた事故又は紛争については,占用者等において処理するものとし,第三者に損害を与えたときは,占用者等の負担において賠償しなければならない。
(工事の施工)
第5条 占用者等は,工事の施工方法について道路管理者の指示に従わなければならない。
(工事現場の標識及び保安施設)
第6条 占用者等は,掘削又は路面復旧工事等を施工するとき,次に掲げる施設を設置しなければならない。
(1) 工事現場の起終点における道路標識,工事標識等の標示施設
(2) 工事現場の周囲における保安柵及び夜間における注意灯等,照明灯等の保安施設
2 前項の規定による工事現場の標示施設及び保安施設の設置については,茨城県土木部土木工事保安対策技術指針によるものとする。
(写真撮影)
第7条 占用者等は,道路管理者の指示により掘削工事着手前における現場の状況及び完成後外部から明視できない箇所並びに工事の重要な段階における作業状況を撮影し,道路管理者に提出しなければならない。
(事故の対策)
第8条 占用者等は,工事施工中の事故防止に万全を期するとともに,万一事故が発生した場合は,直ちに道路管理者,所轄警察署及び関係機関に連絡しなければならない。
(警察署等との連絡)
第9条 占用者等は,道路管理者,所轄警察署及び工事に影響のある関係機関と常に緊密な連絡を保つよう努めなければならない。
(掘削)
第10条 掘削工事は,次に掲げる方法により施工しなければならない。
(1) アスファルト舗装及びコンクリート舗装等舗装部分の切断は,それぞれに適応したコンクリートカッターを用いて面は垂直になるよう丁寧に切断すること。
(2) 掘削する長さは,当日中に復旧可能な範囲とし,最小限に止めること。
(3) 掘削は,布掘り又はつぼ掘とすること。
(4) 掘削する深さ,土質条件,地下水の状況等を勘案し,必要に応じて土留工を施し,安全かつ確実に掘削すること。
(5) 軟弱地盤又は湧水地帯を掘削する場合は,湧水及び溜水を排除しながら掘削するとともに,湧水及び溜水の排除先に注意すること。
(6) 沿道の建築物に接近して掘削する場合は,人,車等の出入りを妨げない措置を講ずること。
(7) 交通量が頻繁な個所の掘削は,第6条の規定により施工するほか,道路を横断して掘削する場合は,片側の掘削が終わり交通を妨げない措置を講じた後,他側の掘削に着手すること。ただし,2期に分けて施工できない場合は,夜間交通の途絶した後において施工し,日の出前に交通を妨げない措置を講ずること。
(8) 掘削部分の周囲及び工事用物品を置いた個所には,通行人に危険を及ぼさないように,柵やその他の設備を設けること。
(埋め戻しの時期)
第11条 掘削の跡の埋め戻しは,所要の作業が終わった後,当日中に施工しなければならない。
(埋め戻しの方法)
第12条 埋め戻しの施工に当たっては,次に掲げる方法によらなければならない。
(1) 埋め戻しの転圧については,層ごと(層厚30cm以下)にタンパ又は振動ローラ等を使用して十分に締め固めを行うこと。
(2) 山留工を施工した場合は,埋め戻しに伴い地盤に緩みが生じないよう下部を埋め戻し,徐々に撤去すること。
(3) 埋め戻し材料は,CBR12以上の材料(購入土,良質在来土,改良土,砂,砕石等)で環境に有害な影響を与える物質を含まないものとし,それ以外の材料を使用する場合は,道路管理者の承認を得ること。
(4) 複数の埋設管の隙間や,山留工の引き抜き部分等の締め固めが困難な場所については,砂又は同等品以上の材料で十分充填すること。
(仮復旧)
第13条 仮復旧は,次に掲げる場合を除き,これを行わなければならない。
(1) 歩道については,埋め戻し完了後,即日路面復旧を行うことができる場合
(2) 幅員が狭く交通量が少ない町道で,道路管理者の承認を得た場合
(3) 小規模な掘削で,道路管理者の承認を得た場合
(仮復旧の時期)
第14条 仮復旧は,占用者等において標準図に掲げる方法により即日着工しなければならない。
(仮復旧路面の維持)
第15条 仮復旧は,占用者において施工し,埋め戻し完了後,道路掘削復旧標準図により復旧し,即日完成しなければならない。
第16条 占用者等は,路面復旧工事施工まで常に仮復旧個所を巡回し,路面の沈下その他不良個所が生じたときは,直ちに修復しなければならない。ただし,仮復旧工事の検査合格日以後路面復旧工事を道路管理者が行う場合については,この限りでない。
2 占用者等は,道路管理者から仮復旧個所の路面の沈下その他不良個所について連絡があったときは,直ちに応急処置を行って,これを修復しなければならない。ただし,路面復旧工事を道路管理者が行う場合は,前項ただし書きに準ずるものとする。
(路面復旧の方法)
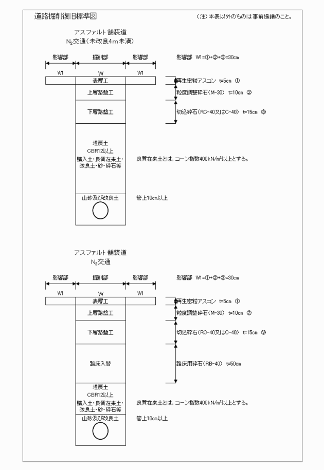
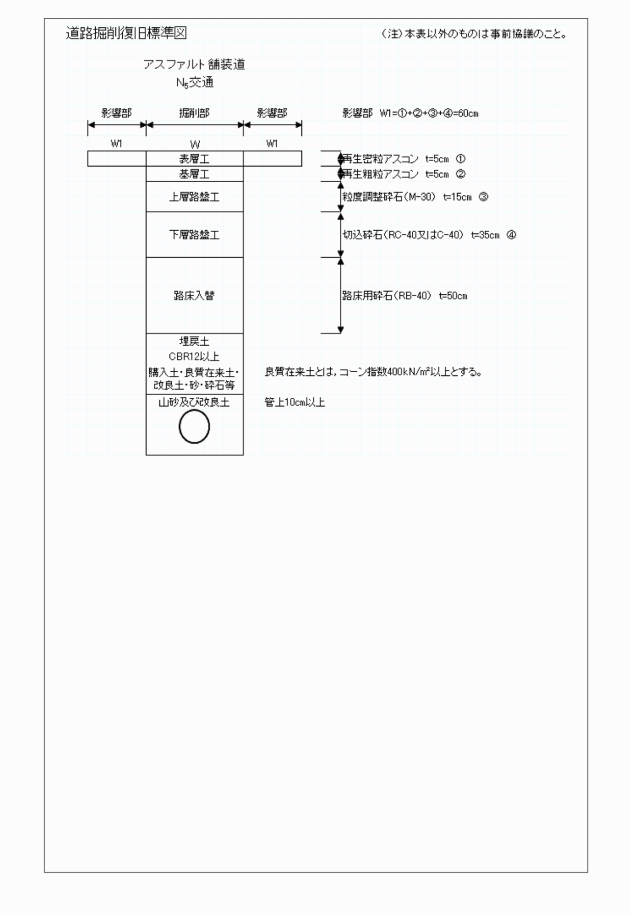
第17条 路面復旧工事は,掘削前の道路機能,路面強度と同等以上に復旧するものとする。
(路面復旧工事の工法)
第18条 路面復旧工事の舗装構成は,道路掘削復旧標準図により施工するものとする。ただし,現況を勘案し,これによりがたい場合は,道路管理者と協議の上,指示に従うものとする。
(材料の規格)
第19条 路面復旧工事に用いる材料の規格は,茨城県土木部・企業局土木工事共通仕様書による。
(路面復旧工事の影響範囲の決定)
第20条 路面復旧工事の範囲は,次に定めるものとし,別紙路面復旧の範囲とする。
(1) 車道幅員が4メートル以下の場合は,全幅復旧すること。
(2) 歩道については,全幅復旧すること。
(3) 単車線で路肩の残存幅員が1メートル以下の場合は,これを含めて復旧すること。
(4) 2車線以上でセンターラインがある場合は,その車線を全幅復旧すること。
(5) 道路中心線に対して,ひし形又は台形に復旧すること。
(6) 平板ブロック,インターロッキングブロック等が設置されている場合の復旧方法は,道路管理者と事前に協議すること。
(7) 他工事と競合している場合の復旧工事は,各占用者等協議の上,一括して施工すること。
2 交通量,土質,舗装年次,路側構造物への考慮等から所定の復旧により難しい場合は,道路管理者と協議すること。
(各戸引込工事の復旧範囲)
第21条 各戸引込工事(水道,下水道,ガス,地下電線管等)の路面復旧は,次に定めるものとし,別紙路面復旧の範囲とする。
(1) 同じ占用者等で連結した引込工事の路面復旧において,影響部を含めた引込部の路面復旧範囲の間隔が3メートル以下の場合は,部分復旧でなく一体となるように復旧すること。
(2) 異なる占用者等で連続した引込工事の路面復旧においては,前号と同様に復旧すること。
(路面復旧の時期)
第22条 仮復旧を行わない場合は,事前に道路管理者の承認を得て,埋め戻し完了後速やかに路面復旧工事を施工しなければならない。
2 仮復旧を行った場合は,仮復旧が完了し,一般交通に開放した後,第20条の路面復旧範囲を決定し,道路管理者の許可を得て着工するものとし,この間,路面の沈下,亀裂等を起こしたときは,路盤を検査し,路盤の入替について道路管理者の指示に従わなければならない。
3 路面復旧の期限は,仮復旧工事の完了後1年以内とし,1年以内に路面復旧工事が完了しない場合は道路管理者の承諾を得なければならない。
(工事中の指示)
第23条 占用者等は,路面復旧工事施工中は特に道路管理者との連絡を密にし,道路管理者が現場において施工中随時必要と認める検査をするときは,協力しなければならない。
2 占用者等は,前項の検査において必要な材料,器具及び検査に必要な労力を遅滞なく準備し,検査に合格しない材料の取替え,混合物の不良,仕上げ厚不足等による打ち替えその他処理について道路管理者の指示に従わなければならない。
(検査)
第24条 占用者等は,完了届けとともに工事着手前における現場の状況写真,各工程における作業状況写真(埋め戻し材,路盤厚,合材厚,転圧等)及び竣工写真を道路管理者に提出するものとする。
(掘削の禁止)
第25条 舗装後,次に掲げる期間内に掘削することは認めない。
(1) 車道の新設(打ち換えを含む。)舗装の場合は5年間
(2) 車道の補修(オーバーレイ)舗装の場合3年間
(3) 歩道舗装,簡易舗装の場合は1年間
2 前項の規定にかかわらず,次に該当する場合で,かつ,道路管理者と事前に協議したものについては,掘削工事又は占用を認めることができる。
(1) 災害予防又は事故復旧工事(漏水,ガス漏れ,路面沈下)に伴う危険防止のためのもの
(2) 水道,下水道又はガスの各戸引き込み工事等,町民の日常生活に直接影響があると認められたもの
(3) 公共的又は公益事業のためにやむを得ないもので,当日中に路面復旧までの工事が完了するもの
(4) その他緊急を要すると認めたもの
(地下埋設物の占用場所)
第26条 地下埋設物の占用場所は,次に掲げるものとする。
(1) 道路の敷地外に当該場所に代る適当な場所がなく,公益上やむを得ないと認められる場所であること。
(2) 水道管,下水道管,ガス管又は地下電線管を埋設する場合(道路を横断して埋設する場合を除く。)においては,歩道の地下に埋設すること。ただし,これらの本線については,歩道に適当な場所がなく,かつ,公益上やむを得ない事情があると認められるときは,この限りでない。
(地下埋設物の埋設深さ)
第27条 地下埋設物の埋設深さは,次の各号に掲げるものとする。ただし,施工上,やむを得ない場合においては道路管理者と協議をするものとする。
(1) 水管又はガス管の埋設深さにおいては,車道部,歩道部とも1.2メートル以上とする。ただし,施工上やむを得ない場合は,0.8メートル以上とする。
(2) 下水道の本線は,3.0メートル以上とする。ただし,施工上やむを得ない場合は1.2メートル以上とする。(本線とは,各家庭への引き込み線と直接接続されていない管路をいう。)なお,浅層埋設については,お互い協議の上,定めるものとする。
(3) 電線類の車道部は,保安上又は道路に関する工事の実施上支障のない場合を除き0.8メートル,歩道部は,0.6m以上とする。
(埋設物の明示)
第28条 工事により敷設する埋設物が,水道管,下水道管,ガス管又は電線管である場合は,道路法施行規則(昭和27年建設省令第25号)第4条の3の2第2項及び第3項の定めるところにより,当該占用物件の名称,管理者,埋設の年その他保安上必要な事項を明示すること。ただし,各戸に引きこむために埋設するもの及び道路法施行規則第4条の3の2第1項で定めるものを除く。なお,道路管理者と協議の上,必要な場合に明示するものとする。
2 前項の明示をビニールテープ等により行う場合は,次に掲げる色彩のものを用いるものとし,占用物件から30cm上部に敷設することとする。
占用物件区分 | 色彩 |
水道管 | 青色 |
下水道管 | 茶色 |
ガス管 | 緑色 |
工業用水 | 白色 |
電力線 | 橙色 |
電話線 | 赤色 |
(境界杭)
第29条 境界杭は,位置及び高さに変動のないように必要な措置を講じなければならない。ただし,工事の状況により移設の必要が生じた場合には,道路管理者の指示により移設又は撤去し,工事完了後道路管理者の確認を受け現状に回復するものとする。
(補則)
第30条 道路占用部分以外における当該工事の資材,残土等の搬出入による路線の損傷も,この要綱を適用する。
(疑義)
第31条 この要綱に定めのない事項又は疑義が生じた場合は,道路管理者と協議の上道路管理者の指示によるものとする。
附則
この要綱は,平成27年6月1日から施行する









